500-19-0057 Oil Filter Moisture Absorption 19µm
Are you looking for 500-19-0057 Oil Filter Moisture Absorption 19µm?


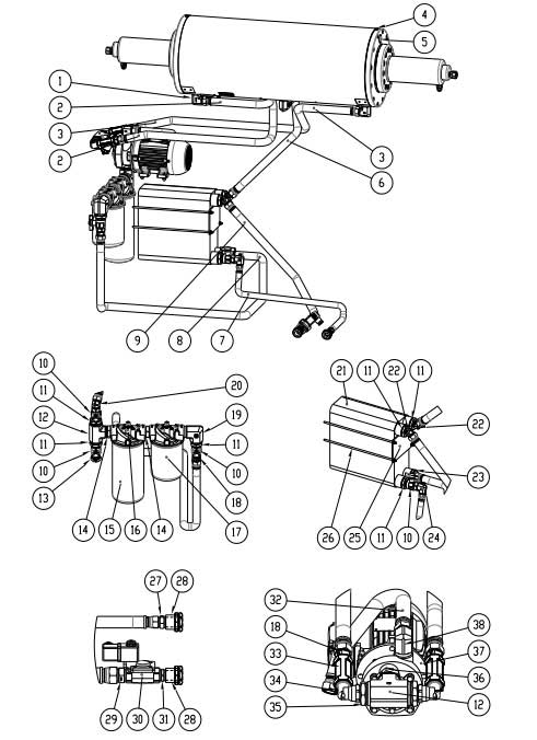
ITEM NO. | Description | Part Number | Quantity |
1 | 1” BSP – 17 JIC Elbow ZP | 208-2-0059 | 3 |
2 | Lubrication Hose Assy: Actuator to Pump | SAPH-017 | 1 |
3 | Lubrication Hose Assy: Actuator to Pump | SAPH-016 | 1 |
4 | 1/8” Hex Head Plug Stainless Steel | 202-6-0005 | 3 |
5 | Sight Glass | 500-21-0016 | 2 |
6 | Lubrication Hose Assy: HE to Actuator | SAPH-019 | 1 |
7 | Cooling Hose Assy: HE to Drain | SAPH-002 | 1 |
8 | Lubrication Hose Assy: Filters to HE | SAPH-010 | 1 |
9 | Cooling Hose Assy: Sol Valve to HE | SAPH-001 | 1 |
10 | Ball Valve, ¾” BSP M/F | 203-18-0036 | 4 |
11 | 1 ¼” – ¾” Reducing Bush | 203-9-1210 | 6 |
12 | 1 ¼” BSP Female Tee | 208-5-0001 | 2 |
13 | ¾” Plug | 203-6-0750 | 1 |
14 | 1 ¼” Nipple | 203-4-1250 | 3 |
15 | Oil Filter Moisture Absorption 19µm | 500-19-0057S | 1 |
16 | 5.1” Filter Head | 500-19-0055 | 2 |
17 | Oil Filter Z-Glass Media 4µm | 500-19-0056S | 1 |
18 | ¾” BSP – 17 JIC Nipple | 208-4-0073 | 3 |
19 | 1 ¼” BSP M/F Elbow | 208-2-0057 | 1 |
20 | ¾” BSP – 17 JIC 45 Elbow ZP | 208-4-0080 | 1 |
21 | Heat Exchanger – 120 Plate | 500-18-0098 | 1 |
22 | ¾” BSP – 17 JIC Elbow SS - Modified | 208-2-0058-1 | 2 |
23 | 1 ¼” BSP – 17 JIC Nipple | 208-1-0002 | 1 |
24 | ¾” BSP – 12 JIC Elbow SS - Modified | 208-2-0052-1 | 1 |
25 | Clamp Plate | SPS-08-3 | 1 |
26 | M6 All Thread, 330mm | 102-20-0330 | 4 |
27 | ½” BSP – 12 JIC Nipple | 208-4-0081 | 1 |
28 | ½” Bulkhead | 209-29-0010 | 2 |
29 | ½” BSP – 17 JIC Nipple | 208-4-0082 | 1 |
30 | ½” Diaphragm Valve | 205-17-0030 | 1 |
31 | ½” Nipple | 203-4-0500 | 1 |
32 | Lubrication Hose Assy: Pump to Filters | SAPH-018 | 1 |
33 | ¾” Strainer | 203-11-0750 | 2 |
34 | ¾” BSP M/F Elbow | 203-2-0030 | 2 |
35 | 1 ¼” – ¾” Male Reducer | 203-8-0020 | 2 |
36 | 1” NPT – 1 ¼” BSP Nipple | 208-4-0087 | 1 |
37 | Oil Pump (1”) | 500-7-0108 | 1 |
38 | 1” NPT – 17 JIC Elbow | 208-2-0048 | 1 |
NA | Oil pump seal kit (1”) | 500-7-0093 | 1 |
NA | Oil pump repair kit dual | 500-7-0094 | 1 |
NA | Techni Syn-Gear EP150 20L Drum | 500-3-0017 | 2 |
If you are interested in 500-19-0057 Oil Filter Moisture Absorption 19µm, please contact us. Get the price.